Views: 14 Author: Site Editor Publish Time: 2017-11-07 Origin: Site
Bellows Expansion Joint Styles
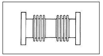
Axial Joint

Axial bellows expansion joints are designed to accommodate compressive or extension movements along the bellows longitudinals axis.Movements available can be specified as amounts from a “neutral length”.The neutral length is the theoretical length before movements . From this neutral length,the unit will provide movement in either extension or compression.Therefore,to utilize all the movement available from the unit when it is known that the movement will be in one direction only,it is recommended that the units be installed with either pre-extension or pre-compression,depending upon the pipe movement.
Care is required during installation to ensure that the unit is installed at its correct length so that it will only work within its specified limit.Any deviation would have a detrimental affect upon bellows life.Axial units must also be adequately ahchored and guided.
Axial bellows are supplied flanged,grooved,or with beveled ends suitable for welding into pipelines,or with a combination of both.
Externally Pressurized Axial Joint

Applications where long axial movements exist have resulted in the development of the externally pressurized unit. In these units,working pressure is transferred to the outside of the bellows via a gap between the internal flange and housing. Standards are available in 4”,6” and 8” of movement. Compensators are also available in 3” models for 4” diameter and below.
Untied Universal Joint

A universal/double expansion joint assembly is formed by connection two bellows with a length of center pipe. This type of unit will cater to both axial and lateral movements. Although a conventional axial bellows will offer a limited amount of lateral movement,it is usually advisable for a universal unit to be used if the amount of lateral movement required is significant.
Anchor bases can be placed on the middle spool to make a double joint,with movement on both sides of the anchor.
Home | Products | About Us | Certificates | News | Application | Contact Us | Hot products